Description:
Ferrule style full range fuses.
Ferrule style full range fuses.
Ratings:
Volts: 1200Vac (FWL 20-30A); 1400Vac (FWS 8-15A); 2100Vac (FWS 2-6A); 1000Vdc (FWL/FWS 2-30)
Amps: 2-30A
IR: 45kA RMS Sym. 30kA@ 1000Vdc
Agency Information: CE, IEC 60077
Features and Benefits
• Excellent cycling capability and DC performance
• Low arc voltage and low energy let-through (I2t)
• Low watts loss in a compact size
• Used with finger-safe holders/blocks
Typical Applications
• DC common bus
• DC drives
• Power converters/rectifiers
• Reduced voltage starters
• Traction aux circuits
• Capacitor protection
Catalog Numbers
| Catalog Numbers | Size | Electrical Characteristics | ||||
| Rated Current RMS-Amps | I2t (A2 Sec) | Watts Loss | ||||
| non-indicating | With indicating | Pre-arc | Clearing at 1000Vdc | |||
|
FWS-2A20F FWS-6A20F FWS-8A20F FWS-10A20F FWS-12A20F FWS-15A20F |
FWS-2A20FI FWS-6A20FI FWS-8A20FI FWS-10A20FI FWS-12A20FI FWS-15A20FI |
20 x 127mm (13⁄16” x 5”) |
2 6 8 10 12 15 |
0.8 27 64 118 170 209 |
2.4 81 192 277 380 500 |
4.4 6.7 7.6 3.0 3.4 5.0 |
|
FWL-20A20F FWL-25A20F FWL-30A20F |
FWL-20A20FI FWL-25A20FI FWL-30A20FI |
20 x 127mm (13⁄16” x 5”) |
20 25 30 |
675 1200 1850 |
1550 2760 4300 |
5.9 6.5 7.5 |
• ADD “I” to catalog number for indicating version.
• Enclosed finger-safe fuse holder – CH127
• Open style fuse block – 4530-OP
• See accessories on page 216.
• Watts loss provided at rated current.
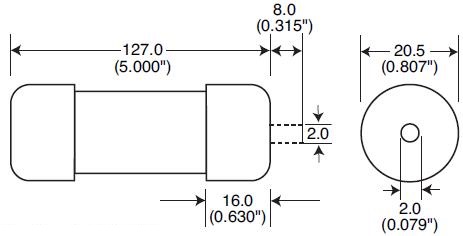
Dimensions - mm (inches)

Indicating Version – Dimensions - mm (inches)

Time-Current Curve

FWP 690V/700V (14 x 51mm) Ferru
FWH 500V (14x51mm) Ferrule High
FWC 600V (10x38mm) Ferrule High
FWJ 1000V Ferrule High speed fu
FWK 750V Ferrule High speed fus
FWP 690V/700V (22x58mm) Ferrule
