Description:
BS 88 style stud-mount fuses.
Ratings:
Volts: 690Vac/500Vdc
Amps: 6-710A
IR: 200kA RMS Sym.
Agency Information:
CE, Designed and tested to: BS 88 Part 4, IEC 269 Part 4, UL Recognized. Consult Cooper Bussmann for UL Recognition status.
Electrical Characteristics
Total Clearing I2t

The total clearing I2t at rated voltage and at power factor of 15% are given in the electrical characteristics. For other voltages, the clearing I2t is found by multiplying by
correction factor, K, given as a function of applied working voltage, Eg, (rms).
Arc Voltage

This curve gives the peak arc voltage, UL, which may appear across the fuse during its operation as a function of the applied working voltage, Eg, (rms) at a power factor of 15%.
Power Losses

Watts loss at rated current is given in the electrical characteristics. The curve allows the calculation of the power losses at load currents lower than the rated current. The correction factor, Kp, is given as a function of the RMS load current, Ib, in % of the rated current.
Features and Benefits
• Excellent cycling capability
• Excellent dc performance
• Low arc voltage and low energy let-through (I2t)
• Low watts loss
Typical Applications
• DC common bus
• DC drives
• Power converters/rectifiers
• Reduced voltage starters
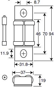
Dimensions (mm)

Catalog Numbers
| Catalog Numbers | Type | Rated Current RMS-Amps | I2t(A2 Sec) | Watts Loss | ||
| Pre-arc | Clearing | |||||
| at 415V | at 660V | |||||
| 100FEE | FEE | 100 | 400 | 1600 | 2400 | 24 |
| 120FEE | 120 | 540 | 1900 | 3100 | 32 | |
| 140FEE | 140 | 850 | 2500 | 3800 | 36 | |
| 160FEE | 160 | 1000 | 3700 | 5700 | 46 | |
| 180FEE | 180 | 1400 | 5300 | 8400 | 46 | |
| 200FEE | 200 | 1900 | 7100 | 11400 | 52 | |
Time-Current Curve

Peak Let-Through Curve


British BS 88 Fuse Accessories
FM-British BS 88 690V 180-350A
LMT-British BS 88 240V 160-450A
LMMT-British BS 88 240V 400-900
MT-British BS 88 690V 160-355A
MMT-British BS 88 690V 180-710A
Microswitch Adadpter - MAI
