LET
Specifications
Description: BS 88 style stud-mount high speed semiconductor fuses.
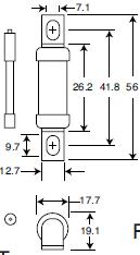
Dimensions: See dimensions illustrations.
Ratings:
Volts: 240Vac/150Vdc
Amps: 25-180A
IR: 200kA RMS Sym.
Agency Information: CE, Designed and tested to: BS 88 Part 4, IEC 269 Part 4, UL Recognized. All fuses above have been tested at 318Vac. Consult Cooper Bussmann for specific UL Recognition status.
Electrical Characteristics
Total Clearing I2t

The total clearing I2t at rated voltage and at power factor of 15% are given in the electrical characteristics. For other voltages, the clearing I2t is found by multiplying by correction factor, K, given as a function of applied working voltage, Eg, (rms).
Dimensions (mm)

Arc Voltage

This curve gives the peak arc voltage, UL, which may appear across the fuse during its operation as a function of the applied working voltage, Eg, (rms) at a power factor
of 15%.
Power Losses

Watts loss at rated current is given in the electrical characteristics. The curve allows the calculation of the power losses at load currents lower than the rated current. The correction factor, Kp, is given as a function of the RMS load current, Ib, in % of the rated current.
Catalog Numbers
| Catalog Numbers | Type | Rated Current RMS-Amps | I2t(A2 Sec) | Watts Loss | ||
| Pre-arc | Clearing | |||||
| at 120V | at 240V | |||||
| 25LET | LET | 25 | 18 | 120 | 250 | 4 |
| 32LET | 32 | 32 | 200 | 450 | 5 | |
| 35LET | 35 | 50 | 320 | 600 | 5 | |
| 50LET | 50 | 100 | 500 | 1400 | 7 | |
| 63LET | 63 | 180 | 1100 | 2200 | 9 | |
| 80LET | 80 | 300 | 1900 | 3800 | 10 | |
| 100LET | 100 | 600 | 3800 | 7500 | 10 | |
| 125LET | 125 | 600 | 3800 | 7500 | 16 | |
| 160LET | 160 | 1100 | 7000 | 16000 | 20 | |
| 180LETa | 180 | 1600 | 1200 | 29000 | 21 | |
• Note: 7LET, 10LET, 12LET and 16LET are available for replacement purposes on existing equipment.
Features and Benefits
• Excellent cycling capability
• Excellent DC performance
• Low arc voltage and low energy let-through (I2t)
Typical Applications
• DC common bus
• AC and DC drives
• Power converters/rectifiers
• Reduced voltage starters
Time-Current Curve

Peak Let-Through Curve

British BS 88 Fuse Accessories
FM-British BS 88 690V 180-350A
LMT-British BS 88 240V 160-450A
LMMT-British BS 88 240V 400-900
MT-British BS 88 690V 160-355A
MMT-British BS 88 690V 180-710A
Microswitch Adadpter - MAI
