Description:
BS 88 style stud-mount fuses.
BS 88 style stud-mount fuses.
Ratings:
Volts: 690Vac/500Vdc
Amps: 160-355A
IR: 200kA RMS Sym.
Agency Information:
CE, Designed and tested to: BS 88 Part 4, IEC 269 Part 4, UL Recognized. Consult Cooper Bussmann OR Bolfmax for UL Recognition status.
CE, Designed and tested to: BS 88 Part 4, IEC 269 Part 4, UL Recognized. Consult Cooper Bussmann OR Bolfmax for UL Recognition status.
Electrical Characteristics
Total Clearing I2t


The total clearing I2t at rated voltage and at power factor of 15% are given in the electrical characteristics. For other voltages, the clearing I2t is found by multiplying by correction factor, K, given as a function of applied working voltage, Eg, (rms).
Arc Voltage


This curve gives the peak arc voltage, UL, which may appear across the fuse during its operation as a function of the applied working voltage, Eg, (rms) at a power factor of 15%.
Power Losses


Watts loss at rated current is given in the electrical characteristics. The curve allows the calculation of the power losses at load currents lower than the rated current. The correction factor, Kp, is given as a function of the RMS load current, Ib, in % of the rated current.
Features and Benefits
• Excellent cycling capability
• Excellent DC performance
• Low arc voltage and low energy let-through (I2t)
• Low watts loss
Typical Applications
• DC common bus
• DC drives
• Power converters/rectifiers
• Reduced voltage starters
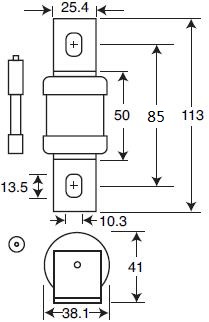
Dimensions (mm)

Catalog Numbers
Time-Current Curve

Peak Let-Through Curve

Dimensions (mm)

Catalog Numbers
| Catalog Numbers | Type | Rated Current RMS-Amps | I2t(A2 Sec) | Watts Loss | ||
| Pre-arc | Clearing | |||||
| at 415V | at 660V | |||||
|
160MT 180MT 200MT 250MT 280MT 315MT 355MT |
MT |
160 180 200 250 280 315 355 |
2400 3800 6000 11500 16500 19000 22000 |
15000 25000 40000 80000 100000 125000 160000 |
25000 38000 58000 110000 150000 180000 200000 |
26 26 27 32 35 42 51 |
Time-Current Curve

Peak Let-Through Curve


British BS 88 Fuse Accessories
FM-British BS 88 690V 180-350A
LMT-British BS 88 240V 160-450A
LMMT-British BS 88 240V 400-900
MMT-British BS 88 690V 180-710A
Microswitch Adadpter - MAI
